국제·국내 안전 규격을 획득하여 고품질·안전성을 추구합니다.





미국, 캐나다 안전규격 획득 E476937 (전제품)
유럽 안전규격 획득 (전제품)
독일 기술검사 협회 승인 획득 AK 503393390001 (전제품)
unit : mm
| 백색 | 진회색 | Size (W) | 사용 Base |
|---|---|---|---|
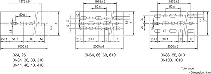
| C25W | C25G | 25 | B24, B25 |
| CN30W | CN30G | 30 | BN34, BN36, BN38, BN310 |
| CN40W | CN40G | 40 | BN44, BN46, BN48, BN410 |
| CN60W | CN60G | 60 | BN64, BN66, BN68, BN610 |
| CN80W | CN80G | 80 | BN86, BN88, BN810 |
| CN100W | CN100G | 100 | BN108, BN1010 |
| 길이 : 2000 | |||

unit : mm
| 백색 (W) | 진회색 (G) | ||||
|---|---|---|---|---|---|
| Model | Size (W×H) | 사용 Cover | Model | Size (W×H) | 사용 Cover |
| B24W-5 | 25×40 | C25W | B24G-5 | 25×40 | C25G |
| B25W-5 | 25×55 | C25W | B25G-5 | 25×55 | C25G |
| BN34W-6 | 30×40 | CN30W | BN34G-6 | 30×40 | CN30G |
| BN44W-6 | 40×40 | CN40W | BN44G-6 | 40×40 | CN40G |
| BN64W-6 | 60×60 | CN60W | BN64G-6 | 60×60 | CN60G |
| BN36W-6 | 30×60 | CN30W | BN36G-6 | 30×60 | CN30G |
| BN46W-6 | 40×60 | CN40W | BN46G-6 | 40×60 | CN40G |
| BN66W-6 | 60×60 | CN60W | BN66G-6 | 60×60 | CN60G |
| BN86W-6 | 80×60 | CN80W | BN86G-6 | 80×60 | CN80G |
| BN36W-9 | 30×60 | CN30W | BN36G-9 | 30×60 | CN30G |
| BN46W-9 | 40×60 | CN40W | BN46G-9 | 40×60 | CN40G |
| BN66W-9 | 60×60 | CN60W | BN66G-9 | 60×60 | CN60G |
| BN86W-9 | 80×60 | CN80W | BN86G-9 | 80×60 | CN80G |
| BN38W-9 | 30×80 | CN30W | BN38G-9 | 30×80 | CN30G |
| BN48W-9 | 40×80 | CN40W | BN48G-9 | 40×80 | CN40G |
| BN68W-9 | 60×80 | CN60W | BN68G-9 | 60×80 | CN60G |
| BN88W-9 | 80×80 | CN80W | BN88G-9 | 80×80 | CN80G |
| BN108W-9 | 100×80 | CN100W | BN108G-9 | 100×80 | CN100G |
| BN310W-9 | 30×100 | CN30W | BN310G-9 | 30×100 | CN30G |
| BN410W-9 | 40×100 | CN40W | BN410G-9 | 40×100 | CN40G |
| BN610W-9 | 60×100 | CN60W | BN610G-9 | 60×100 | CN60G |
| BN810W-12 | 80×100 | CN80W | BN810G-12 | 80×100 | CN80G |
| BN1010W-12 | 100×100 | CN100W | BN1010G-12 | 100×100 | CN100G |
| 길이 : 2000 | 길이 : 2000 | ||||
※ BN310 Model은 개발중입니다.

unit : mm
| 백색 (W) | 진회색 (G) | ||||
|---|---|---|---|---|---|
| Model | Size (W×H) | 사용 Cover | Model | Size (W×H) | 사용 Cover |
| B24W | 25×40 | C25W | B24G | 25×40 | C25G |
| B25W | 25×55 | C25W | B25G | 25×55 | C25G |
| BN34W | 30×40 | CN30W | BN34G | 30×40 | CN30G |
| BN44W | 40×40 | CN40W | BN44G | 40×40 | CN40G |
| BN64W | 60×40 | CN40W | BN64G | 60×40 | CN40G |
| BN36W | 30×60 | CN30W | BN36G | 30×60 | CN30G |
| BN46W | 40×60 | CN40W | BN46G | 40×60 | CN40G |
| BN66W | 60×60 | CN60W | BN66G | 60×60 | CN60G |
| BN86W | 80×60 | CN80W | BN86G | 80×60 | CN80G |
| BN38W | 30×80 | CN30W | BN38G | 30×80 | CN30G |
| BN48W | 40×80 | CN40W | BN48G | 40×80 | CN40G |
| BN68W | 60×80 | CN60W | BN68G | 60×80 | CN60G |
| BN88W | 80×80 | CN80W | BN88G | 80×80 | CN80G |
| BN108W | 100×80 | CN100W | BN108G | 100×80 | CN100G |
| BN310W | 30×100 | CN30W | BN310G | 30×100 | CN30G |
| BN410W | 40×100 | CN40W | BN410G | 40×100 | CN40G |
| BN610W | 60×100 | CN60W | BN610G | 60×100 | CN60G |
| BN810W | 80×100 | CN80W | BN810G | 80×100 | CN80G |
| NM1010W | 100×100 | CN100W | BN1010G | 100×100 | CN100G |

unit : mm
| Model | A | B | C, D | 적용 Cover |
|---|---|---|---|---|
| B24W(G)-5 | 25 | 40 | 5 | C25W(G) |
| B25W(G)-5 | 25 | 55 | 5 | C25W(G) |
| BN34W(G)-6 | 30 | 40 | 6 | CN30W(G) |
| BN44W(G)-6 | 40 | 40 | 6 | CN40W(G) |
| BN64W(G)-6 | 60 | 40 | 6 | CN60W(G) |
| BN36W(G)-6 | 30 | 60 | 6 | CN30W(G) |
| BN46W(G)-6 | 40 | 60 | 6 | CN40W(G) |
| BN66W(G)-6 | 60 | 60 | 6 | CN60W(G) |
| BN86W(G)-6 | 80 | 60 | 6 | CN80W(G) |
| BN36W(G)-9 | 30 | 60 | 9 | CN30W(G) |
| BN46W(G)-9 | 40 | 60 | 9 | CN40W(G) |
| BN66W(G)-9 | 60 | 60 | 9 | CN60W(G) |
| BN86W(G)-9 | 80 | 60 | 9 | CN80W(G) |
| BN38W(G)-9 | 30 | 80 | 9 | CN30W(G) |
| BN48W(G)-9 | 40 | 80 | 9 | CN40W(G) |
| BN68W(G)-9 | 60 | 80 | 9 | CN60W(G) |
| BN88W(G)-9 | 80 | 80 | 9 | CN80W(G) |
| BN108W(G)-9 | 100 | 80 | 9 | CN100W(G) |
| BN310W(G)-9 | 30 | 100 | 9 | CN30W(G) |
| BN410W(G)-9 | 40 | 100 | 9 | CN40W(G) |
| BN610W(G)-9 | 60 | 100 | 9 | CN60W(G) |
| BN810W(G)-12 | 80 | 100 | 12 | CN80W(G) |
| BN1010W(G)-12 | 100 | 100 | 12 | CN100W(G) |
※ W : 백색 / G : 진회색

